GPS Modul für Motorsport, Entscheidungshilfe

Allgemeine Fragen zu GPS und verwandten Themen

Moderator: Roland

ssquare_de
Beiträge: 671
Registriert: 07.10.2006 - 16:23

Re: GPS Modul für Motorsport, Entscheidungshilfe

Beitrag von ssquare_de » 03.11.2009 - 21:27

Hallo Peter,




..." Was mich wundert ist, daß er mit seinen Empfängern auf der Norschleife wie auch auf dem GP-Kurs Empfangsschwierigkeiten hatte. Besonders stark zu beobachten auf der Nordschleife, da hatte er über weite Teile ja garkeinen Empfang.
Mit meinem Skytrag Venus6 chp und 10Hz NMEA hatte ich diese Probleme nicht oder nur kaum beobachtet. Habt ihr ne idee woran das liegen könnte?"...

Hätte der gute Mann mal erst hier im Forum vorbeigesehen. :)
Im Ernst: ich hab das PDF nur überflogen, aber vielleicht meint er mit Empfangsausfall nur das Nichtvorhandensein einer cm-genauen Echtzeitpräzisionsposition.
Die dafür notwendigen Phasendaten reagieren sehr viel empfindlicher auf schlechte Empfangsbedingungen, als die robusten Pseudorangedaten, die autonomen GPS-Empfängern das Berechnen der allerdings viel ungenaueren Position erlauben.
Bei den Phasendaten helfen auch die hochempfindlichen Consumerempfänger nicht weiter, bei diesen konnte bislang nur das Dekodieren des C/A-Codes verbessert werden, hauptsächlich durch massives Verlängern der sogenannten Dwell-time.

Aus:
http://www.zogg-jm.ch/Dateien/ct.2004.222-226.pdf

..."Die Empfindlichkeit eines GPS Moduls steigt jedoch deutlich, wenn man die Korrelationsdauer verlängert (Verweilzeit oder Dwell-Time). Je länger ein Korrelator in einer bestimmen Position der Code-Frequenz-Ebene verweilt, desto schwächer darf das empfangene GPS-Signal sein. Wird die Integrationszeit um den Faktor k erhöht, ergibt sich eine Vergrößerung (GR) des Signal-Rauschabstandes: GR = log10 (k). Eine Verdoppelung der Verweilzeit erhöht den Signal- Rauschabstand beziehungsweise die Empfindlichkeit spürbar, nämlich um 3 dB. In der Praxis ist eine Verlängerung der Korrelationszeit auf 20 ms unproblematisch. Ist der Almanach aktuell und damit der Wert der übertragenen Datenbits bekannt, kann man diesen Wert sogar noch weiter erhöhen....
______________________________________________________

..."Die Arbeit zeigt aber sehr schön, daß ich meinen Logger noch um eine IMU ergänzen sollte, um kurze Löcher überbrücken zu können."...
An der Implementierung der Koppelnavigation ( Trägheitssensoren) wird in Japan schon heftigst gearbeitet. Soll in einem der nächsten Releases mit unter die Haube kommen.
______________________________________________________

..."Worin beseteht denn die Lösung? Werde aus dem Zeichensalat auf Tomojis Homepage nicht so recht schlau."....
Tomoji hat die schon gepatchten Binaries auf die Website gestellt, die die Verwendung des SkyTraq S1315F in RTKLIB erlauben:
http://gpspp.sakura.ne.jp/rtklib/rtklib_support.htm
..."Executable binary APs (RTKNAVI, RTKCONV) on Windows with the patch rtklib_2.2.2_p1.zip and rtklib_2.2.2_p2.zip can be downloaded as rtklib_2.2.2_bin_p1p2.zip. (2009/10/24)"
_________________________________________________
..."Evtl. werde ich erstmal ein kleines Board mit dem Nötigsten drauf layouten ..."
Ganz genau!
Für den Anschluss des Bluetooth-Moduls kannst du die seriellen TTL-Anschlüsse Tx, Rx, und Ground verwenden. ( bei 3 - 3,3V Spannung )





Stefan

Benutzeravatar
Jörn Weber
Beiträge: 789
Registriert: 03.02.2007 - 16:11
Wohnort: Jena

Re: GPS Modul für Motorsport, Entscheidungshilfe

Beitrag von Jörn Weber » 03.11.2009 - 22:04

Hallo Stefan,
ssquare_de hat geschrieben: Bei den Phasendaten helfen auch die hochempfindlichen Consumerempfänger nicht weiter, bei diesen konnte bislang nur das Dekodieren des C/A-Codes verbessert werden, hauptsächlich durch massives Verlängern der sogenannten Dwell-time.
Das ist nur zum Teil richtig. Der HF-Teil der Empfänger und die Antennen wurden auch erheblich verbessert. Insbesondere die Filter wurden deutlich verbessert und die Verstärker rauscharmer gestaltet. Mit der Verlängerung der dwelltime (Kontaktzeit) erreicht man keine Verbesserung um -20 dbm. Schaue bitte mal in die Datenblätter der ersten Antaris 4 und SiRF3, da waren noch -144 dbm ein üblicher Wert. Inzwischen haben die empfindlichsten Empfänger Werte von -165 dbm. Der u-blox 5 hat inzwischen auch die -160 dbm-Schwelle erreicht. Und auch SiRF/CSR ist mit dem SiRF4 inzwischen den Weg gegangen, den MTK schon seit 3 Jahren beschreitet.

Gruss Joern Weber

ssquare_de
Beiträge: 671
Registriert: 07.10.2006 - 16:23

Re: GPS Modul für Motorsport, Entscheidungshilfe

Beitrag von ssquare_de » 03.11.2009 - 22:30

Hallo Joern,


klar wurden in den letzten Jahren auch die Rauschzahlen der Eingangsstufen in den HF-Teilen verbessert, aber wie in dem von mir verlinktem PDF beschrieben: hier war und ist nichtmehr viel zu holen, wenn nicht ein Technologiesprung kommt.
Und der ist derzeit nicht in Sicht.
Wenn ich mich richtig erinnere, hat ATMEL für die ANTARIS4-Engangsstufen in seinen Datenblättern eine Rauschzahl von 1,4dB angegeben.
Viel besser dürften auch die realen Werte aktueller Eingangsstufen BEZAHLBARER Empfänger nicht liegen.

Nochmals zur Dwell-time oder Korrelationszeit: die wird aktuell bis auf 1000ms ausgedehnt! Das passt gut mit den - 160-163 dBm der aktuellen Empfindlichkeitsweltmeister zusammen.
Jetzt geben manche schon -165dBm an - um dann im Kleingedruckem zuzugeben, dass da dann aber keine Positionsberechnung mehr erfolgen kann, sondern nur noch der Sat getrackt wird.

Du musst hardwareseitig absolute Verrenkungen machen ( auch finanziell ) um noch echte 0,5 dB am Rauschen wegzuradieren.
Und wenn dann der ganze Empfänger in der Sonne schmort, zeigt dir der Anstieg des thermischen Rauschens die lange Zunge.


Stefan

Benutzeravatar
Jörn Weber
Beiträge: 789
Registriert: 03.02.2007 - 16:11
Wohnort: Jena

Re: GPS Modul für Motorsport, Entscheidungshilfe

Beitrag von Jörn Weber » 04.11.2009 - 19:59

Hallo Stefan,
ssquare_de hat geschrieben: klar wurden in den letzten Jahren auch die Rauschzahlen der Eingangsstufen in den HF-Teilen verbessert, aber wie in dem von mir verlinktem PDF beschrieben: hier war und ist nichtmehr viel zu holen, wenn nicht ein Technologiesprung kommt.
Und der ist derzeit nicht in Sicht.
momentan würfeln die Hersteller darum ob günstiger ist den HF-Tei mit in den Chip zu integrieren oder als separaten Chip zu fertigen. Die Einchip-Lösung hat neben einem kommerziellen Vorteil, auch den Vorteil, dass das Signal den Korrelatoren störungsarm zugeführt werden. Siehe MTK 3301.


Wenn ich mich richtig erinnere, hat ATMEL für die ANTARIS4-Engangsstufen in seinen Datenblättern eine Rauschzahl von 1,4dB angegeben.
Viel besser dürften auch die realen Werte aktueller Eingangsstufen BEZAHLBARER Empfänger nicht liegen.
Du musst hardwareseitig absolute Verrenkungen machen ( auch finanziell ) um noch echte 0,5 dB am Rauschen wegzuradieren.
Und wenn dann der ganze Empfänger in der Sonne schmort, zeigt dir der Anstieg des thermischen Rauschens die lange Zunge.
Als Nachrichtentechniker ist mir das schon klar. Hierbei helfen eben die kurzen Wege der Einchiplösungen. Mal schauen, wann die ersten Chips mit passiver Kühlung auf dem Markt kommen.

Gruss Joern Weber

peterguy
Beiträge: 28
Registriert: 23.06.2009 - 22:57

Re: GPS Modul für Motorsport, Entscheidungshilfe

Beitrag von peterguy » 06.11.2009 - 00:55

Hallo Leute,

es gibt mal wieder was neues!

Habe heute morgen eine CD vom Landesamt für Vermessung und Geobasisinformation Rheinland-Pfalz im Briefkasten gehabt.
Dort enthalten ist eine Luftbildaufnahem vom GP-Kurs am Nürburgring inklusive .tfw Datei zum Referenzieren des Bildes.
Habe das Ganze mal in den GlobalMapper geladen und meine GPS-Logdatei abgespielt. Ergebnis siehe angehängete Screenshots.
Sieht deutlich besser aus, jedoch gibt es stellenweise immer noch Abweichungen, die jetzt aber wahrscheinlich an den üblichen Störungen liegen werden...

In Richtung DGPS hingegen gings nur zögelich vorwärts, da mein Evalboard von Skytraq wieder nicht funktionieren wollte. Habe das Teil dann kurzerhand und ziemlich wütend bei 190° für 15min in den Backofen gepackt. Das hat mir natürlich erstmal die Pufferbatterie weggesprengt :shock: :lol:
Die gute Nachricht ist, das Evalboard funktioniert jetzt endlich zuverlässig :D Obs am Backen oder am "entfernen" der Pufferbatterie liegt wieß ich nicht, aber hauptsache ist ja daß es funktioniert :twisted:

Auf das Evalboard und auf mein 2. System wurde dann schnell die aktuellste FW von Skytraq gespielt und mit der RTKLIB getestet. Vernünftige Ergebnisse gibts noch keine, da ich die Antennen hinter meinem kleinen Fenster am Arbeitszimmer positioniert habe. Allerdings kann man schon sehen, daß beide Geräte funktionieren.

Am WE werden dann mal Messungen am Balkon gemacht!

Gruß,
Peter
Dateianhänge
GPKurs_referenziert.jpg
GPKurs_referenziert.jpg (255.19 KiB) 30841 mal betrachtet
AusschnittGPKurs_referenziert.jpg
AusschnittGPKurs_referenziert.jpg (121.41 KiB) 30841 mal betrachtet

Benutzeravatar
Jörn Weber
Beiträge: 789
Registriert: 03.02.2007 - 16:11
Wohnort: Jena

Re: GPS Modul für Motorsport, Entscheidungshilfe

Beitrag von Jörn Weber » 06.11.2009 - 20:14

Hallo Peter,
peterguy hat geschrieben: Dort enthalten ist eine Luftbildaufnahem vom GP-Kurs am Nürburgring inklusive .tfw Datei zum Referenzieren des Bildes.
Habe das Ganze mal in den GlobalMapper geladen und meine GPS-Logdatei abgespielt. Ergebnis siehe angehängete Screenshots.
Sieht deutlich besser aus, jedoch gibt es stellenweise immer noch Abweichungen, die jetzt aber wahrscheinlich an den üblichen Störungen liegen werden...
Ohne DGPS musst du mit 4-5 Meter Abweichung leben.

Gruss Joern Weber

ssquare_de
Beiträge: 671
Registriert: 07.10.2006 - 16:23

Re: GPS Modul für Motorsport, Entscheidungshilfe

Beitrag von ssquare_de » 08.11.2009 - 16:45

Hallo Peter,



mit der aktuellsten Firmware von SkyTraq ( vom vergangenem Freitag) sollen jetzt auch die letzten Bodenwellen ausgebügelt worden sein. :)
Angeblich flutschen nun auch die 20Hz-Geschichten.

Im Fensterkreuz wird das mit den hochpräzisen Phasenauswertungen vermutlich nichts werden.
Da brauchst du für Basis u. Rover guten, unterbrechungsfreien Empfang ....
Das ist ja (noch?) das Übel mit unseren L1-LowCost-Empfängern.
(Die schweineteueren 2-Frequenzler springen ja schon nach 1-2s in die 1-2 Zentimetergenauigkeit zurück,sobald sie wieder freie Sicht auf die Sat s haben.)
Später wird uns Amateuren da hoffentlich bei kurzfristigem Empfangsabriss die Koppelung mit Trägheitsnavigation entscheidend weiterhelfen.


Stefan

Benutzeravatar
Jörn Weber
Beiträge: 789
Registriert: 03.02.2007 - 16:11
Wohnort: Jena

Re: GPS Modul für Motorsport, Entscheidungshilfe

Beitrag von Jörn Weber » 08.11.2009 - 18:23

Hallo
ssquare_de hat geschrieben:.
Das ist ja (noch?) das Übel mit unseren L1-LowCost-Empfängern.
Für Peter dürfte eine Postprozess-Lösung mit präzisen Orbits und Uhrenkorrekturwerten reichen. Das steht ja auf der ToDo Listb der RTKLib. Damit bekommt man eine Genauigkeit im Submeterbereich hin.

Gruss Joern Weber

peterguy
Beiträge: 28
Registriert: 23.06.2009 - 22:57

Re: GPS Modul für Motorsport, Entscheidungshilfe

Beitrag von peterguy » 11.11.2009 - 00:20

Hallo Leute,

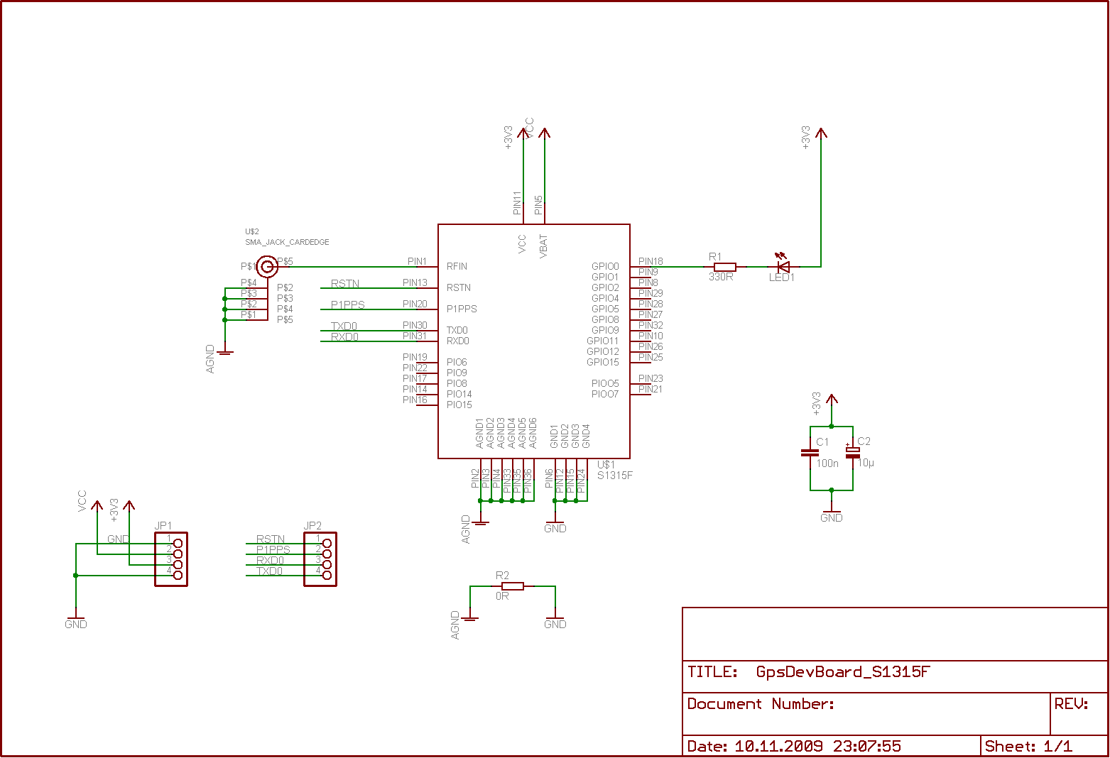
habe jetzt den Schaltplan für ein kleines Breakout Board mit dem S1315F fertig.
Im Anhang das Ganze mal als PNG. Fehlt da aus eurer Sicht etwas?
Noch ists möglich, Änderungswünsche und Anregungen einzuarbeiten! :D

In der Zwischenzeit habe ich es geschafft, manchmal aus den empfangenen Rohdaten mit Hilfe der RTKLIB Positionsdaten zu gewinnen.
Allerdings markiert RTKLIB das ganze als "Single" Solution, woraus ich schließe, daß lediglich einer der Empfänger für die Datengewinnung herangezogen wird.
Von DGPS also noch keine Spur :?
V.a. wundert mich, daß die Anzeige oft einzufrieren scheint, fast so als ob die Applikation nicht mit der Berechnung hinterherkommt oder aber als ob die empfangenen Daten zu schlecht für eine Positionsbestimmung sind.

Neueste F/W kam gestern übrigens per Mail. Wird am WE getestet, vielleicht bringts ja schon ne Besserung :D

Gruß,
Peter
Dateianhänge
GpsBoardS1315F.png
GpsBoardS1315F.png (22.9 KiB) 30800 mal betrachtet

tpo
Beiträge: 27
Registriert: 30.10.2009 - 12:40
Wohnort: Feldkichen/D Österreich

Re: GPS Modul für Motorsport, Entscheidungshilfe

Beitrag von tpo » 11.11.2009 - 18:28

Hallo Peter!

Ah, hier gibts schon einen Schaltplan :-)

Meine Anmerkungen:
-> Ev. Stützung der 3v3 noch verbessern. 4n7, 1n, 470pf parallel könnten nicht schaden. Ev. sind die aber bereits am SkytraQ-Modul drauf.
-> Ev. Stützung für VBatt vorsehen
-> Wenn die vierpoligen Stiftleisten als Steckerverbindung ausgeführt werden besteht ev. die Gefahr des falsch Ansteckens
-> Wenn die 3v3-Signalleitungen nach aussen geführt werden ev. ESD-Schutz vorsehen

Btw. für die neue FW brauchst du auch einen neuen RTKLIB Patch. Wirst aber verm. eh schon gesehen haben.

lg,
Thomas

P.S. Meine SkytraQ Eval-Boards schippern grad irgendwo in Kasachstan herum. Hoffe sie kommen bald an.

ssquare_de
Beiträge: 671
Registriert: 07.10.2006 - 16:23

Re: GPS Modul für Motorsport, Entscheidungshilfe

Beitrag von ssquare_de » 11.11.2009 - 20:18

Hallo Peter,


gut, dass Thomas schon ein paar Anmerkungen gemacht hat, da bleibt mir weniger zu schreiben. :)

Software/RTKLIB:
Patch, abgehakt
neueste F/W, abgehakt
Peter, hast du in RTKLIB auch die richtigen Einstellungen/Eingaben gemacht?

Hardware/dein Schaltplan:
"saubere" Stromversorgung sicherstellen, Ripple höchstens 50mV

http://www.u-blox.com/images/downloads/ ... 007%29.pdf
Ist zwar von ublox, die prinzipiellen Designtips werden aber sicherlich gut übertragbar sein.
Besonders:
3.6.3 Placement,
3.6.4 Antenna Connection and Grounding Plane Design
3.6.5 Antenna Micro Strip

Viel Erfolg im Ätzbad. :)





Stefan

peterguy
Beiträge: 28
Registriert: 23.06.2009 - 22:57

Re: GPS Modul für Motorsport, Entscheidungshilfe

Beitrag von peterguy » 12.11.2009 - 23:10

Hallo zusammen,

danke für die Tips, Thomas & Stefan.

VBat werde ich sicherheithalber noch puffern.
Einen der Steckverbinder werde ich auch ändern, vermutlich einen GND Pin wegnehmen damit ich das Teil nicht ausversehen falschrum draufstecke :D
Kenne mich, hier riechts öfters mal nach Elektronik... :D

Bin im Moment noch auf der Suche nach einem feinen 5V USB --> 3.3V Wandler mit sehr niedrigem Ripple.
Allerdings betrifft das ja eher das Trägerboard und nciht direkt das GPS-Board.

Mit der RTKLIB wusste ich übrigens noch nicht, vielen Dank für den Hinweis!

Ob die RTKLIB Konfiguration falsch war weiß ich nicht, glaube aber dort alles richtig gemacht zu haben. Zumindest hat RTKNAVI mir die Daten für Rover und Basestation im SignalLevel/SatelliteVisibility Display angezeigt. Vermutlich hat mein fliegender Aufbau auf Lochraster einfach die Empfangsgenauigkeit so weit verschlechtert, daß keine differntielle Lösung berechnet werden konnte. Müsste auch mal versuchen, bei gutem Wetter auf ner großen Wiese zu testen und nicht nur die Empfänger auf (Schräge) Dach zu legen.

Gruß,
Peter

tpo
Beiträge: 27
Registriert: 30.10.2009 - 12:40
Wohnort: Feldkichen/D Österreich

Re: GPS Modul für Motorsport, Entscheidungshilfe

Beitrag von tpo » 13.11.2009 - 19:01

Hallo Peter!

Bei der geringen Stromaufnahme der GPS-Module könntest auch einen Linearregler nehmen. Z.B. LM1117-3v3. Dann hättest keine Probleme mit Ripple. Wirkungsgrad wär ca. 65%.

lg, Thomas

wolfi1956
Beiträge: 12
Registriert: 19.11.2010 - 10:14

Re: GPS Modul für Motorsport, Entscheidungshilfe

Beitrag von wolfi1956 » 21.11.2010 - 13:46

hallo,
nachdem nun ein Jahr vergangen ist, möchte ich den Fred nochmal hochbringen.
Mittlerweile gibt es nun ein Modul von Skytraq Venus638FLPx. (siehe HP)
dieses lacht micht an und ich würde es verwenden, habe aber noch Fragen dazu. Vielleicht sieht sich jemand in der Lage,
mir zu helfen.
1. ist das erwähnte Binary-Format im Datenblatt die gewünschten Rohdaten ?
2. Muß RTKLIB für jeden CHIP(set) angepasst werden, oder läuft auch das Venus638FLPx Modul statt des S1315F?
3. Gibt es zolltechnisch Probleme , wenn ich mir von Skytraq die Teile direkt kaufe?

Ich bin gespannt auf eure Antworten.

Gruß

Wolfi

wolfi1956
Beiträge: 12
Registriert: 19.11.2010 - 10:14

Re: GPS Modul für Motorsport, Entscheidungshilfe

Beitrag von wolfi1956 » 22.11.2010 - 19:04

hat hier keiner eine Meinung ?

:-(

Gruß Wolfi

Antworten